随着经济的发展,我国人均用电量大幅增加,电气火灾也随之剧增,给国家经济和人民生命财产造成巨大损失。全国火灾统计数据表明,一直保持在30%左右,事故造成的直接财产损失占总火灾损失的40%左右。我国的电气火灾大部分是由短路引起的。
低压配电线路及电气设备由于线路老化和机械损伤,绝缘性能下降而产生漏电。漏电可引起电弧、电火花,电弧的异常高温达2000℃以上,几百毫安漏电的电弧能量就足以引燃周围的可燃物而引起电气火灾。“漏电火灾报警系统”能准确监控电气线路的故障和异常状态,及时发现电气火灾的火灾隐患,提醒人员去消除这些隐患。
“漏电”从产生原理上讲是“剩余电流”,在国际上的通用术语也是“剩余电流”,但消防技术规范上目前还称为漏电火灾报警系统。
1 漏电火灾报警系统的原理和功能
1.1 漏电检测原理
漏电火灾报警系统是利用电流互感器检测电流的原理检测漏电电流的大小。
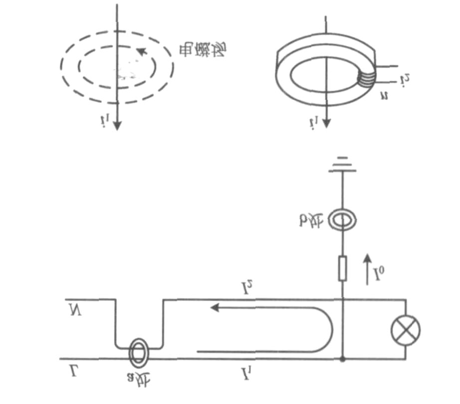
如图1所示,如果导线中流过的电流为i1,i1在其周围将产生电磁场,电磁场的强弱与导线中的电流大小成正比。电流互感器为高导磁率器件,把它置于

图1 用互感器提取电流信号
电磁场中,在其次级线圈中将感应出交变电流i2。
i1/n=i2/n
其中:n为互感器的匝数。可见,i2,i1成正比。
如图2所示,在正常情况下,L线及N线里流过的电流大小相等,方向相反。如果线路绝缘劣化,例如L线对地形成电阻,其电流为I0,此时:I1=I2+I0,则I0=I1-I2≠0。
在图中的a处如果将电流互流互感器套住L线和N线,则电流互感器的线圈中将感应出与I0成正比的电流。将电流互感器安装在b处,同样也可以检测出I0。将I0称为漏电电流,其数值大小反映了配电线路及电气设备的电气绝缘性能。

图2 漏电电流检测
由于有容性电流的存在,绝缘良好的电线电缆也能检测到数值较小的泄漏电流,但这种泄露电流分布广且数值小不会引起漏电火灾。漏电火灾报警系统可预先设定一个明显高于泄漏电流的漏电报警动作值以避免误报。
1.2 漏电火灾报警系统工作原理漏电火灾报警系统一般由一台探测报警器主机和若干个漏电电流互感器、控制模块经二总线组成。
工程管理
当被保护线路中发生接地漏电电流时,探测器测到报警信号,传送给控制模块,通过二总线网络传输主机发出声光报警信号;主机显示屏同时显示报警线路,记录并保存报警和控制信息,值班人员可在主机处远程操作切断电源或派人到现场排除故障。实现对各保护对象的线路和用电设备的漏电情况进行集中监控和管理。
1.3 漏电火灾报警系统应具有的功能
(1)探测漏电电流、过电流等信号。
(2)发出声光信号报警,准确报出故障线路地址,监视故障点的变化。
(3)储存各种故障和操作试验信号,信号存储时间不应少于365d。
(4)显示系统电源状态。如果有必要还可以切断漏电线路上的电源,并显示其状态。
2 漏电火灾报警系统的应用
漏电火灾报警系统是一种基于计算机技术的数字化监控网络系统,监控终端电气故障,实现远传远控和报警显示功能的设备。漏电火灾报警系统功能复杂,但目前没有相应的设计、施工及验收规范,笔者认为目前漏电火灾报警系统可按照文献[1,2]的相关条文和设计手册的要求设计、施工。
2.1 漏电火灾报警系统设计的规范依据明确提出“建筑物电源端的剩余电流保护装置应满足防电气火灾的功能要求”,对在建筑物内安装剩余电流动作火灾监控装置及动作参数作了明确规定。
(2)规定:高层建设内火灾危险性大、人员密集等场所宜设置漏电火灾报警系统。文献[5]规定在按一、二级负荷供电的消防用电设备的场所和其它危险性较大的场所宜设置。
2.2 设计有关要求
(1)系统额定漏电电流动作值的确定。额定漏电电流动作值的确定应准确合理,避免误动作或扩大停电范围。额定漏电电流动作值应考虑正常运行时的大泄漏电流,并留有充分余地。配电线路正常运行时的泄漏电流,包括线路本身的泄漏电流和用电设备的泄漏电流两部分,两者之和即为确定额定剩余动作电流与校验额定剩余不动作电流的依据。
“选用的剩余电流保护装置的额定剩余不动作电流,应不小于被保护电气线路和设备的正常运行时泄漏电流大值的2倍。”在选用漏电控制模块的额定动作电流时,应不小于电气线路和设备的正常泄漏电流的大值的2倍。并且可根据被保护线路及设备的实际情况进行调整。一般二级漏电报警电流值在600~800mA,三级漏电报警电流值在200~400mA范围内。
(2)配电级数的选定。为对配电系统进行有效监控,准确判断出故障线路地址及时发现隐患部位,应根据建筑用电负荷和线路的具体情况,确定采用二级或三级保护。一般二级开关处都要安装漏电电流探测器。
(3)断路器脱扣与报警。系统设计应标明动作电流的作用是报警还是作用于断路器脱扣,如未标明则定为报警。对消防用电设备无论是过电流还是漏电均不能作用于断路器脱扣,只能进行报警。
(4)电源设计。漏电火灾报警系统属于消防设备,监控设备的主电源应采用消防电源。设计时应遵循以下原则:一级负荷用户应按一级负荷要求供电,二级负荷用户应按二级负荷要求供电。给监控设备供电的两个电源或两回线路,应在末一级配电箱处自动切换。监控设备可配有UPS装置,且UPS的容量满足监控设备的要求。